



展开全文

系列型号:
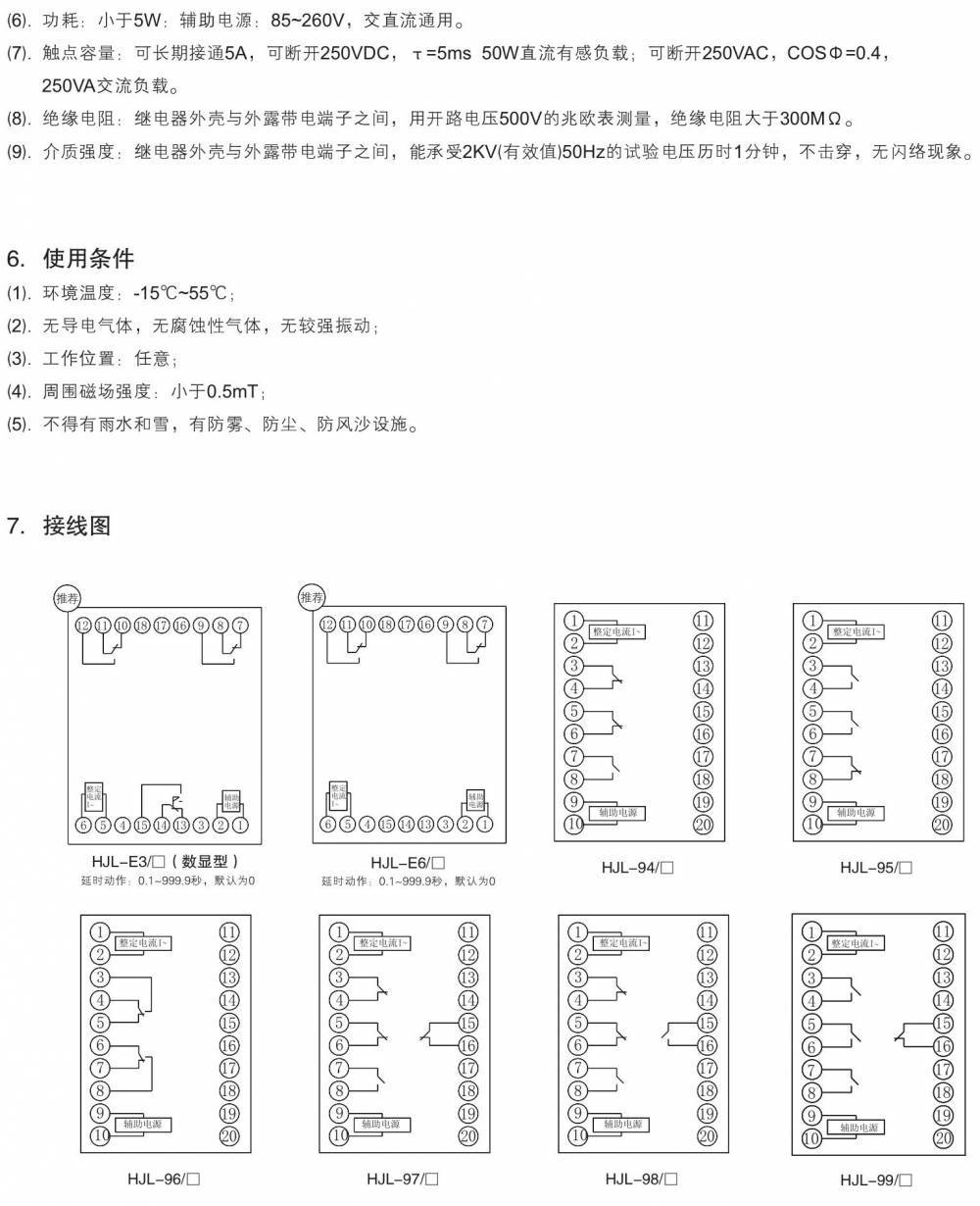
HJLL-E3/A数字式零序电流继电器(数显型);HJLL-E3/B数字式零序电流继电器(数显型);
HJLL-E6/A数字式零序电流继电器;HJLL-E6/B数字式零序电流继电器;
HJLL-94/A数字式零序电流继电器;HJLL-94/B数字式零序电流继电器;
HJLL-95/A数字式零序电流继电器;HJLL-95/B数字式零序电流继电器;
HJLL-96/A数字式零序电流继电器;HJLL-96/B数字式零序电流继电器;
HJLL-97/A数字式零序电流继电器;HJLL-97/B数字式零序电流继电器;
HJLL-98/A数字式零序电流继电器;HJLL-98/B数字式零序电流继电器;
HJLL-99/A数字式零序电流继电器;HJLL-99/B数字式零序电流继电器;
一、产品概述
HJLL-E3/A零序电流继电器具有瞬时动作特性,主要用于发电机、变压器和输电线路的零序电流保护,作为启动元件,须外接零序电流互感器。该继电器采用CMOS集成电路,具有精度高、功耗小、动作时间快、返回系数高、整定直观方便、范围宽等特点。
二、主要特点
高精度与低功耗:采用先进的集成电路技术,确保继电器具有高精度的电流检测和低功耗特性。
快速动作时间:继电器动作时间极短,能够在极短的时间内响应电流变化,确保电力系统的安全稳定运行。
宽整定范围:整定范围宽,用户可根据实际需求进行灵活设置,满足不同的保护需求。
导轨安装:采用导轨安装方式,安装方便,适用于各种柜内和面板安装环境。
高可靠性:继电器采用进口元器件和优质材料制造,具有较高的可靠性和稳定性,确保长期稳定运行。
三、技术参数
额定电流:5A(也有其他额定电流可选)
整定范围:0.2A6A(或0.05A1.2A,具体根据型号而定)
级差:0.01A
返回系数:0.9~0.95
工作电压:AC220V/AC380V(也有DC48V、DC110V、DC220V等可选)
动作时间:0.1~2S(或更小,具体根据施加电流大小而定)
安装方式:柜内导轨/嵌入面板
环境温度:-15℃55℃(或-10℃50℃,具体根据型号而定)
周围磁场强度:小于0.5mT
绝缘电阻:继电器外壳与外露带电端子之间,用开路电压500V的兆欧表测量,绝缘电阻不小于10MΩ(或大于300MΩ,具体根据型号而定)
介质强度:继电器外壳与外露带电端子之间能承受2KV(有效值)50Hz的试验电压历时1分钟,不击穿,无闪络现象。
四、应用场景
HJLL-E3/A零序电流继电器广泛应用于各种电力系统、工业自动化控制等领域,特别是在需要高灵敏度、快速响应和可靠保护的场合中表现出色。例如,在发电机、变压器和输电线路的零序电流保护中,该继电器能够准确检测并响应零序电流的变化,及时切断故障电路,防止事故扩大。
五、使用注意事项
正确选型:根据实际应用需求选择合适的继电器型号和规格。
正确接线:按照产品说明书和接线图进行接线,确保接线正确可靠。
定期检查:定期检查继电器的运行状态和触点磨损情况,及时更换磨损严重的触点。
维护保养:保持继电器的工作环境干燥、清洁,避免潮湿和灰尘对设备造成损害。
注意安全:在操作继电器时,务必遵守相关安全规定和操作规程,确保人身和设备安全。
综上所述,HJLL-E3/A零序电流继电器具有高精度、低功耗、快速动作时间、宽整定范围和高可靠性等特点,广泛应用于各种电力系统和工业自动化控制领域。在使用过程中,需要注意正确选型、接线、定期检查和维护保养等事项,以确保其正常工作和延长使用寿命。

《本文》有 0 条评论